ABM/ABX Series
Mini Vacuum Pump
ABM-ABX Series Mini Vacuum Pump
ABM-ABX Series Mini Vacuum Pump
Features
How to order
Technical parameters
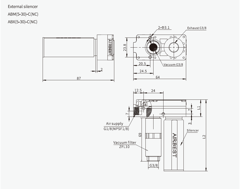
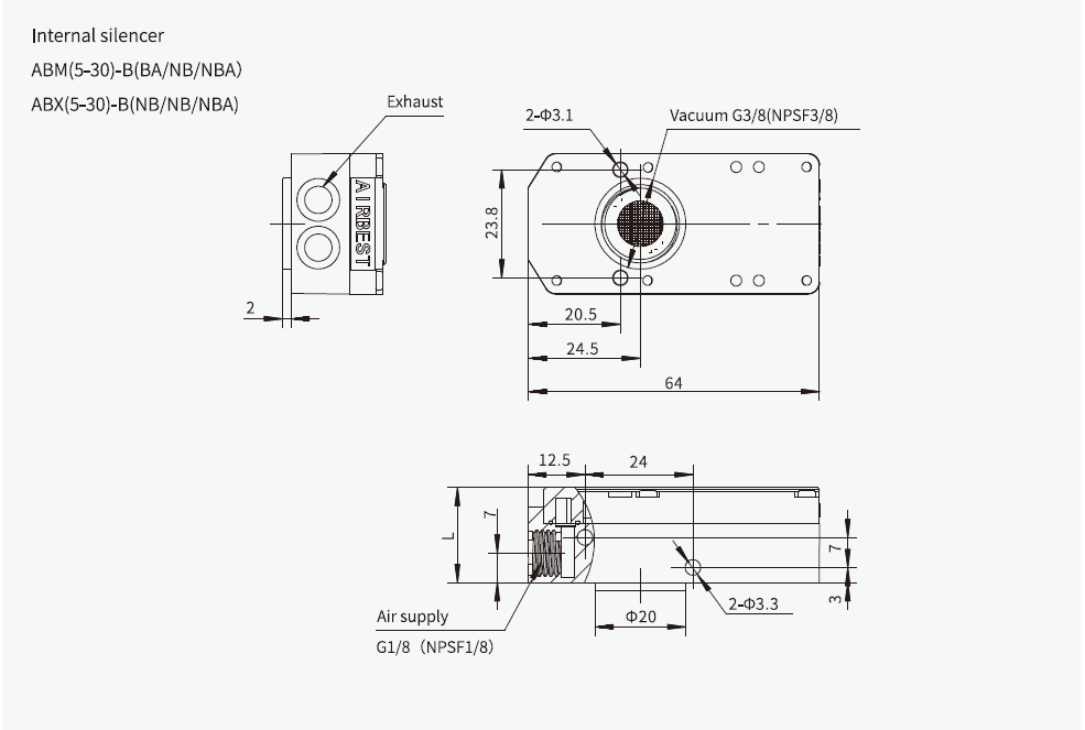
Dimensions (mm)
Download
Back

Features

◇ Compact, light weight and easy to install. It can be directly connected to the suction cup.
◇ Multistage vacuum pump offers large vacuum flow.
◇ It can be used in most harmful gases.
◇ It can be operated with a single pneumatic control valve, and each vacuum circuit can be
   controlled by a single ABM/ABX without affecting the operation of other lines.
◇ Vacuum filter ZFL for it is available.



Applications

◇ Suitable for occasions where vacuum is required for each station in fast operation.
◇ Handling of electronic components and small parts.
◇ Various specifications to meet different operation requirements.



How to order





ABM 10 - B - F   L
   ①   ②   ③   ④  ⑤









① Series② Specification③ Port  
connection
④ Sealing⑤ Vacuum filter
ABM - Universal type(-85kPa)
ABX - High vacuum level type   
     (-92kPa)
05
10
20
30
A B C
NA BA NC
NB
NBA
(Refer to table① )
Nil - Standard, NBR
F    - Fluorine rubber
E    - EPDM
Nil - Standard, without filter
L   - With ZFL10 vacuum filter



Port connection table ①
Port  
connection
Air supply port
Vacuum portExhaust port
AM5-φ6
G1/8Internal silencer
NAM5-φ6
NPSF1/8Internal silencer
BG1/8
G3/8Internal silencer
BAG1/8
G3/8Internal silencer (Connection plate- AL)
NBNPSF1/8
NPSF3/8Internal silencer
NBANPSF1/8
NPSF3/8Internal silencer (Connection plate- AL)
CG1/8
G3/8External silencer
NCNPSF1/8
NPSF3/8External silencer




Selection
Model/
Port connection
ANABBANBNBACNC
ABM (X) 5
ABM (X) 10
ABM (X) 20--
ABM (X) 30--

◇Note: "●"- standard, in stock. "○"-selective,no stock. "—"-unavailable.

Technical parameters
























ModelAir supply 
pressure(bar)
Max. vacuum 
level (-kPa)
Max. Vacuum 
flow (NL/min)
Air consumption
(NL/min)
Noise level
dB(A)
Recommended hose dia. (mm)
Air supply (P)Vacuum (V)
ABM54.5-6.08535-3712  - 2050 - 6568
ABM104.5-6.08570-7528  - 4255 - 68610
ABM204.5-6.085141-15055  - 8560 - 68812
ABM304.5-6.085175-22087  - 12560 - 681012
ABX54.5-6.09230-3218  - 2250 - 6568
ABX104.5-6.09252-6331  - 4055 - 68610
ABX204.5-6.092100-12579  - 8960 - 69812
ABX305.0-6.592180-185128 - 13760 - 691012


Vacuum flow (NL/min) at different vacuum levels (-kPa)
ModelAir supply 
pressure(bar)
Air consumption
(NL/min)
01020304050607080Max. vacuum 
level (-kPa)
ABM54.5 123520.5 12.0 10.5 8.5 6.5 4.5 2.5 0.8 85
ABM104.5 287040.5 25.0 21.0 18.0 14.0 9.5 5.0 1.3 85
ABM204.5 5514177.0 45.0 39.5 29.5 25.0 17.5 12.0 3.0 85
ABM305.0 87175105.0 70.0 63.0 53.0 40.0 26.0 14.0 6.5 85
ABM56.0 203725.0 15.5 12.0 8.0 6.0 4.0 2.7 0.6 85
ABM106.0 427555.0 27.0 20.0 18.0 12.0 9.0 5.0 2.0 85
ABM206.0 85150100.0 55.0 38.0 30.0 24.0 16.0 11.0 3.2 85
ABM306.0 125220150.0 81.0 65.0 50.0 38.0 27.0 18.0 5.0 85


image.png


Evacuation time (s/L) to reach different vacuum levels (-kPa)
ModelAir supply 
pressure(bar)
Air consumption
(NL/min)
1020304050607080Max. vacuum 
level (-kPa)
ABM54.5 120.110.420.951.662.53.655.257.8985
ABM104.5 280.080.20.440.81.241.82.553.885
ABM204.5 550.040.120.230.410.650.931.332.0385
ABM304.5 870.030.090.160.270.430.660.951.4385
ABM56.0 200.130.511.151.932.874.095.8410.4685
ABM106.0 420.030.230.530.921.371.952.774.6285
ABM206.0 850.020.150.280.460.711.021.482.5585
ABM306.0 1250.020.080.140.310.490.691.021.7585


image.png

image.png



image.png


image.png

image.png


image.png

image.png


image.png

image.png


ABM ABX Mini vacuum pump
Download